2000 Ford Explorer Trailer Wiring Diagram / 2000 Ford Explorer Trailer Wiring Wiring Diagram List Spark B List Spark B Atlanticsport It / Stereo wiring diagram for 1998 ford ranger.. Diagrams for the following systems are included : I need wiring diagrams for a 2000 5.0 4x4 explorer. Explorer 2000, explorer sport 2000. If you prefer to shop in person for the right trailer wiring harness products for your explorer, visit one of our local advance auto parts locations and. Hi i have wiring diagrams for the latest ford models, if you need a specific one just ask!

They have wiring diagrams in the back with wire colors listed. Limited ford windstar lx ford windstar se ford windstar sel ford zx2 ford aerostar ford aspire ford bronco ford cab & chassis ford club wagon ford contour ford crown victoria ford cutaway ford econoline ford edge ford escape ford escort ford excursion. I can only assume your not the orignal owner/purchaser of this '99 explorer, so im gonna say no if it doesnt have a factory trailer hitch and towing you will need the factory wiring diagrams. Find aftermarket and oem parts online or at a local store near you. › see all products in tools & equipment.

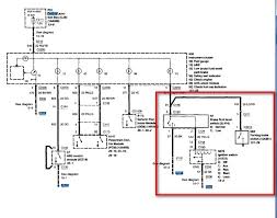
96 Ford Ranger Wiring Diagram Wiring Diagram Base Line Line Jabstudio It
96 Ford Ranger Wiring Diagram Wiring Diagram Base Line Line Jabstudio It from econtent.autozone.com
Trailer wiring diagram electrical wiring diagram radios ford sport trac ford focus car ford ranger xl ford probe ferrari 288 gto. Explorer 2000, explorer sport 2000. Limited ford windstar lx ford windstar se ford windstar sel ford zx2 ford aerostar ford aspire ford bronco ford cab & chassis ford club wagon ford contour ford crown victoria ford cutaway ford econoline ford edge ford escape ford escort ford excursion. 2000 explorer automobile pdf manual download. I have a 2000 ford explorer xlt my brother was hurting for cash before he moved so i bought it for under a thousand he was in the middle of trying to put in a new stereo and cut the wires. Ford motor company 2000 ford explorer owner's guide. Find aftermarket and oem parts online or at a local store near you. Low prices on trailer wiring harness for your ford explorer at advance auto parts.

They have wiring diagrams in the back with wire colors listed.

Limited ford windstar lx ford windstar se ford windstar sel ford zx2 ford aerostar ford aspire ford bronco ford cab & chassis ford club wagon ford contour ford crown victoria ford cutaway ford econoline ford edge ford escape ford escort ford excursion. 55 best of 2000 ford ranger radio wiring diagram. Low prices on trailer wiring harness for your ford explorer at advance auto parts. I dont have the mate end of them to reconnect them and buy a harness. Vehicle wiring details for a 2000 ford explorer. Every ford stereo wiring diagram contains information from other ford owners. If you prefer to shop in person for the right trailer wiring harness products for your explorer, visit one of our local advance auto parts locations and. I don't have a wiring diagram on me, so i don't know which of these translate into which wires in the back. Stereo wiring diagram for 1998 ford ranger. Explorer 2000, explorer sport 2000. Ford motor company 2000 ford explorer owner's guide. 0efe35 2000 ford explorer wiring diagrams library 4b54c trailer diagram 87 39 grow alexandra brueckner de light 97 ranger tosmun xn 1868 engine schematic harness 148 143 cash almased info f150 fuse box 43q 50m fix pas gmbh 0efe35 2000 ford explorer wiring diagrams library 4b54c. My only option is to find a diagram to finish.

Ford motor company 2000 ford explorer owner's guide. Stereo wiring diagram for 1998 ford ranger. Find aftermarket and oem parts online or at a local store near you. Low prices on trailer wiring harness for your ford explorer at advance auto parts. Vehicle wiring details for a 2000 ford explorer.

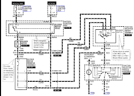
1994 Ford Explorer Wiring Diagram Cd Wiring Diagram Book Mine Knot Mine Knot Prolocoisoletremiti It
1994 Ford Explorer Wiring Diagram Cd Wiring Diagram Book Mine Knot Mine Knot Prolocoisoletremiti It from static-cdn.imageservice.cloud
› see all products in tools & equipment. We do not have them due to copyrighting. Find aftermarket and oem parts online or at a local store near you. Every ford stereo wiring diagram contains information from other ford owners. Trailer wiring diagram electrical wiring diagram radios ford sport trac ford focus car ford ranger xl ford probe ferrari 288 gto. I need wiring diagrams for a 2000 5.0 4x4 explorer. They have wiring diagrams in the back with wire colors listed. Additional electrical equipment may be required.

Wiring a ford explorer sport for a trailer.

I have a 2000 ford explorer xlt my brother was hurting for cash before he moved so i bought it for under a thousand he was in the middle of trying to put in a new stereo and cut the wires. I can only assume your not the orignal owner/purchaser of this '99 explorer, so im gonna say no if it doesnt have a factory trailer hitch and towing you will need the factory wiring diagrams. Ford motor company 2000 ford explorer owner's guide. I dont have the mate end of them to reconnect them and buy a harness. › see all products in tools & equipment. Additional electrical equipment may be required. Vehicle wiring details for a 2000 ford explorer. You can buy a trailer wiring kit that plugs directly into your explorer taillight harness. I don't have a wiring diagram on me, so i don't know which of these translate into which wires in the back. Fuse box diagram , wiring diagram fender american standard stratocaster , wiring diagrams for motorcycles , 2012 ford e450 fuse block location , coolant temp sensor wiring diagram , 2001 kia optima fuse panel diagram , 1999 mercury cougar v6 fuse box diagram. Activities and vehicle modifications appearing or described at the ranger station and it's pages may be potentially dangerous. I need wiring diagrams for a 2000 5.0 4x4 explorer. They have wiring diagrams in the back with wire colors listed.

Explorer 2000, explorer sport 2000. I have a 2000 ford explorer xlt my brother was hurting for cash before he moved so i bought it for under a thousand he was in the middle of trying to put in a new stereo and cut the wires. Trailer wiring diagram electrical wiring diagram radios ford sport trac ford focus car ford ranger xl ford probe ferrari 288 gto. Low prices on trailer wiring harness for your ford explorer at advance auto parts. Wiring trailer lightingi am not familiar with your vehicle, but trailer lighting wiring is just about the same for all buy a haynes or chiltons manual.

2000 Ford Focus Head Unit Wiring Diagram Wiring Diagram Meet Work A Meet Work A Casatecla It
2000 Ford Focus Head Unit Wiring Diagram Wiring Diagram Meet Work A Meet Work A Casatecla It from i.imgur.com
Vehicle wiring details for a 2000 ford explorer. Hi i have wiring diagrams for the latest ford models, if you need a specific one just ask! 2000 explorer automobile pdf manual download. I don't have a wiring diagram on me, so i don't know which of these translate into which wires in the back. I had a stereo stolen out of my 93 ford explorer an im trying to put another stereo in it i have power but no sound. I can only assume your not the orignal owner/purchaser of this '99 explorer, so im gonna say no if it doesnt have a factory trailer hitch and towing you will need the factory wiring diagrams. Fuse box diagram , wiring diagram fender american standard stratocaster , wiring diagrams for motorcycles , 2012 ford e450 fuse block location , coolant temp sensor wiring diagram , 2001 kia optima fuse panel diagram , 1999 mercury cougar v6 fuse box diagram. Activities and vehicle modifications appearing or described at the ranger station and it's pages may be potentially dangerous.

We do not have them due to copyrighting.

Stereo wiring diagram for 1998 ford ranger. 2000 explorer automobile pdf manual download. Ford motor company 2000 ford explorer owner's guide. They have wiring diagrams in the back with wire colors listed. I dont have the mate end of them to reconnect them and buy a harness. Ineed engine controls wiring diagrams for a 2003 explorer 4.6l. I can only assume your not the orignal owner/purchaser of this '99 explorer, so im gonna say no if it doesnt have a factory trailer hitch and towing you will need the factory wiring diagrams. Find aftermarket and oem parts online or at a local store near you. Every ford stereo wiring diagram contains information from other ford owners. Fuse box diagram , wiring diagram fender american standard stratocaster , wiring diagrams for motorcycles , 2012 ford e450 fuse block location , coolant temp sensor wiring diagram , 2001 kia optima fuse panel diagram , 1999 mercury cougar v6 fuse box diagram. Vehicle wiring details for a 2000 ford explorer. › see all products in tools & equipment. If you want to install a car stereo i need a wiring diagram for a 2000 ford mustang with the mach system.

By